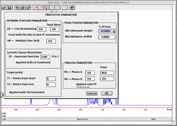
THRESHOLD CHANGE


In order to decide what is a peak, and what is noise or impurities, NUTS
arbitrarily sets the minimum height (or threshold) at 10% of the height of
the largest peak. In many cases, this is much too high. You can change
the threshold value easily by typing MH in the command line. You will
see a screen similar to that shown below, with an MH value of 10
highlighted. Simply type in a lower value (1-5) that will include all the
peaks you're interested in. Of course, if the peak-picking routine selects
too many peaks, you can increase MH to raise the threshold.

(Click on the image below to view a larger version)

 

After you click on OK, you will return to the Base Level screen. However,
you must type PP again to reflect your new threshold value.

Place your mouse over the screen below to see the difference between
a MH of 10 and one of 5. Note that, if you set the threshold too low,
it can become difficult to distinguish the peak-pick values.

(Click on the image below to view a larger version)